
안녕하세요? 커피러브입니다.
이번에 학교 로봇 동아리에서 Autodesk Fusion을 사용한 기계 팔 Manipulator 3D modeling 및 제어 스터디가 열려서, 참가하며 수행한 내용을 기록해보고자 합니다.
week2에서는 week1에 설치한 Fusion을 가지고 기초 사용법을 공부하고 실습했습니다.
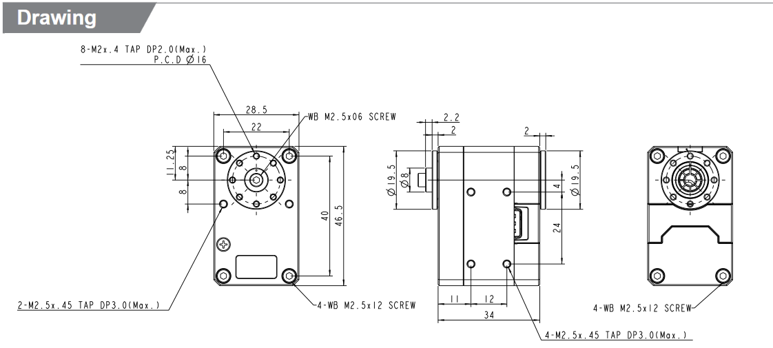
우선 저희 스터디에서 이후 사용할 액츄에이터는 XL430-W350-T입니다.

또한, 이후 사용할 제어기는 penRB-150입니다.
https://emanual.robotis.com/docs/en/parts/controller/openrb-150/

스터디에서는 두 액츄에이터 및 제어기의 도면을 보고, 3D 도형을 만든 후 해당 부품들을 접합할 홈을 만들어 보고, 접합해보는 것을 수행하였습니다.

최종적으로는 위와 같은 모델링을 수행하였습니다.
(액츄에이터의 3D Asset은 스터디 부장님께서 제공해 주셨습니다.)

이후는, 실제 초기 기계팔의 원형을 만들어보는 자유 실습을 진행했는데,
저는 처음이라 사용법에 익숙해지느라 많이 진도를 나가진 못했고, 기존 도면의 수치대로 원을 2개 작성하는 것에서 그쳤습니다.
학습 키워드: Autodesk Fusion, Fusion360, 스케치, 돌출, 평행이동,
'Autonomous & Robotics > Manipulator 스터디' 카테고리의 다른 글
| [Manipulator 스터디] week4 - 매니퓰레이터 모델링 [2] (0) | 2025.12.20 |
|---|---|
| [Manipulator 스터디] week3 - 매니퓰레이터 모델링 [1] (0) | 2025.11.26 |
| [Manipulator 스터디] week1 - Fusion 사용을 위한 환경설정 (0) | 2025.11.26 |